YB手提式電動油桶泵,電動油桶泵,YBYB型油桶泵
YB型手提式電動油桶泵--產品概述
YBYB手提式油桶泵,適用于工廠有傳爆能力不高于B級,引燃溫度組別不低于T4組的可燃性氣體或蒸氣與空氣形成的爆炸性混合物的場所及一般場所從桶抽出和輸送汽油、煤油、柴油、機油、食用油等腐蝕性液體。
YBYB型手提式電動油桶泵--型號意義

YBYB型手提式電動油桶泵--工作條件及技術指標
環境空氣溫度:-20℃-40℃
海拔不超過:1000M
電 壓:2 2 0V;頻率:5 0HZ
電機功率:1 2 0W
流 量:40升/分
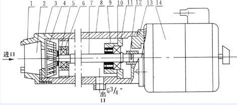
YBYB型手提式電動油桶泵--結構圖
 |
1 |
泵罩 |
8 |
泵體 |
2 |
過濾網 |
9 |
骨架密封 |
3 |
泵嘴 |
10 |
軸承 |
4 |
葉輪 |
11 |
軸承座 |
5 |
異葉片支架 |
12 |
聯軸器 |
6 |
軸承 |
13 |
泵座 |
7 |
泵軸 |
14 |
電動機 |
YBYB型手提式電動油桶泵--結構說明
YBYB油桶泵,由YBYB63 1 2隔爆型油桶電泵電容運轉異步電動機帶動。泵通過泵座與電機聯接,電機軸與泵軸是用彈性聯軸器聯接。泵軸兩端由軸承支撐,上端軸承座內設有骨架式密封,可防止液體進入電機部分。葉輪從泵的吸入口看為逆時針方向旋轉。
YBYB型手提式電動油桶泵--性能參數
規格
型號 |
出口
(mm) |
流量
(L/min) |
揚程
(m) |
功率
(W) |
電壓
(V) |
材質 |
JK-3P |
20(3/4〞) |
35-40 |
<2 |
120 |
220 |
不銹鋼 |
JK-3B |
20(3/4〞) |
35-40 |
<2 |
120 |
220 |
鋁合金 |
YBYB-40 |
20(3/4〞) |
35-40 |
<2 |
120 |
220 |
不銹鋼 |
YBYB-40P |
20(3/4〞) |
35-40 |
<2 |
120 |
220 |
鋁合金 |
YBYB型手提式電動油桶泵--使用說明
1 電動機的使用,詳見YBYB6312隔爆型油桶電泵電容運轉異步電動機產品使用維護說明書。
2 油桶泵使用前應接通電源并扭轉電機開關,檢查電泵運轉是否正常,葉輪旋轉方向是否正確。
3 油桶泵應輕輕插入和抽出油桶,避免泵體與油桶出油口邊之間激烈磨擦。 ·
4 轉動電機開關待泵啟動后,應檢查流量和揚程是否正常,并檢查電機運轉和溫升等情況。
5 抽完一桶油后應馬上停機,如電泵較長時間不工作時應將電流斷開。油桶泵切忌干運轉。
YBYB型手提式電動油桶泵--使用方法
1.先將出油管互相連接,并擰緊羅旋
2.把泵體插入油桶
3.插上220V電源
4.推動手柄上電機開關,即可出油
YBYB型手提式電動油桶泵--維護修理
1 油桶泵應定期檢查清理,外殼不得堆積灰塵和污物。
2 油桶泵一般在運行5 0 0 0小時左右應清洗一次軸承,并出口Z13鍾荃潤滑酯,用量為軸承空腔的1/2左右。當軸承壽命終了時應及時更換,上端軸承規格為8 0 0 1 8,上端為101。
3 如需要換葉輪時,必須調整好葉輪與泵嘴,葉輪與泵體之間的間隙。